2015年12月 一覧

スポンサーリンク

計算問題(電気回路)その3

問題

図に示すトランジスタの電流増幅回路において、電流増幅率が80のとき、定格電圧12Vのランプを定格点灯させるために必要なベース電流の最小値として、適切なものは次のうちどれか。ただし、バッテリ及び配線等の抵抗はないものとする。

 

計算問題 電気回路4

 

①0.4mA

②2.5mA

③16mA

④30mA

 

 

 

解説

電流増幅率が80というのはベース電流の80倍の電流がコレクタ電流となる倍率のことです。つまりベース電流が1mA流れたらその時コレクタ電流は80mA流れるということです。

それを踏まえて逆算するとランプが12V定格の2.4Wですから必要なコレクタ電流は

2.4W/12v=0.2A

となります。

その0.2Aの1/80、つまりベース電流は

0.2/80=0.0025A  となる。

つまり 0.0025A×1000=2.5mAとなる。

 

 

解答 ②

 

 

 

 


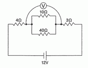
計算問題(電気回路)その2

問題

図に示す電気回路において、電圧計Vが示す値として、適切なものは次のうちどれか。ただし、バッテリ及び配線等の抵抗はないものとする。

 

計算問題 電気回路3

 

①2.4V

②6.4V

③8.8V

④9.6V

 

 

解説

この場合並列抵抗の合成抵抗を求める必要があります。

10Ωと40Ωの並列合成抵抗は

計算問題 電気回路3-2

1/R=1/10Ω+1/40Ω
1/R=4/40+1/40
1/R=5/40    ∴R=8Ω

3つの抵抗の合計は

4Ω+8Ω+3Ω=15Ω

流れる電流は電圧を抵抗で割る

12V/15Ω=0.8A

並列抵抗の両端電圧は流れる電流に合成抵抗を掛ける

8Ω×0.8A=6.4V

 

 

 

 

解答 ②

 

 

 

 


計算問題(電気回路)その1

問題

図に示す回路においてA,B間の電圧として,適切なものは次のうちどれか。 ただし,バッテリ及び配線等の抵抗はないものとする。

 

計算問題 電気回路

①0.75V

②1.20V

③2.25V

④3.00V

 

 

解答

図の中で3つの抵抗を流れる電流を求める。
3つの抵抗の両端に掛かる電圧は12Vだからその電圧を合成抵抗で割る。

50+30+40Ω=120Ω
12V/120Ω=0.1A

30Ωの抵抗にも0.1A流れるので30Ωの抵抗の両端の電圧は
30Ω×0.1A=3V

となる。

 

計算問題 電気回路2

ちなみに10Ωの両端電圧は

12V/(10Ω+50Ω)=0.2A
10Ω×0.2A=2V

のこる50Ωには10V掛かることになる。

 

 

解答 ④

 

 

 

 

 


法令問題04(自動車点検基準)関連問題その3

問題

「自動車点検基準」に照らし、「自家用乗用自動車等の定期点検基準」の点検項目として規定されていないものは次のうちどれか。

 

①ハンドルの操作具合

②ブレーキ・ペダルの遊び

③冷却装置のファン・ベルトの緩み及び損傷

④バッテリの液量

 

 

解説

「自動車点検基準」に照らし、「自家用乗用自動車等の定期点検基準」を見てみましょう

①、②、③は別表第六となっております。

④は別表第二に記載されており日常点検になります。

 

 

別表第二 (自家用乗用自動車等の日常点検基準) (第一条関係)

点検箇所 点検内容
1 ブレーキ 1 ブレーキ・ペダルの踏みしろが適当で、ブレーキのききが十分であること。
2 ブレーキの液量が適当であること。
3 駐車ブレーキ・レバーの引きしろが適当であること。
2 タイヤ 1 タイヤの空気圧が適当であること。
2 亀裂及び損傷がないこと。
3 異状な摩耗がないこと。
4 溝の深さが十分であること。
3 バッテリ 液量が適当であること。
4 原動機 1 冷却水の量が適当であること。
2 エンジン・オイルの量が適当であること。
3 原動機のかかり具合が不良でなく、かつ、異音がないこと。
4 低速及び加速の状態が適当であること。
5 灯火装置及び方向指示器 点灯又は点滅具合が不良でなく、かつ、汚れ及び損傷がないこと。
6 ウインド・ウォッシャ及びワイパー 1 ウインド・ウォッシャの液量が適当であり、かつ、噴射状態が不良でないこと。
2 ワイパーの払拭状態が不良でないこと。
7 運行において異状が認められた箇所 当該箇所に異状がないこと。

 

 

別表第六 (自家用乗用自動車等の定期点検基準) (第二条関係)

点検箇所 点検時期
1年ごと 2年ごと(1年ごとの点検に次の点検を加えたもの)
かじ取り装置 ハンドル 操作具合
ギヤ・ボックス (*1) 取付けの緩み
ロッド及びアーム類 (*1)1 緩み、がた及び損傷
2 ボール・ジョイントのダスト・ブーツの亀裂及び損傷
かじ取り車輪 (*1) ホイール・アライメント
パワー・ステアリング装置 ベルトの緩み及び損傷  1 油漏れ及び油量
(*1)2 取付けの緩み
制動装置 ブレーキ・ペダル 1 遊び及び踏み込んだときの床板とのすき間
2 ブレーキの効き具合
駐車ブレーキ機構 1 引きしろ
2 ブレーキの効き具合
ホース及びパイプ 漏れ,損傷及び取付状態
マスタ・シリンダ、ホイール・シリンダ及びディスク・キャリパ 液漏れ 機能、摩耗及び損傷
ブレーキ・ドラム及びブレーキ・シュー (*1)1 ドラムとライニングとのすき間
2 シューの摺動部分及びライニングの摩耗
ドラムの摩耗及び損傷
ブレーキ・ディスク及びパッド (*1)1 ディスクとパッドとのすき間
2 パッドの摩耗
ディスクの摩耗及び損傷
走行装置 ホイール (*1)1 タイヤの状態
(*1)2 ホイール・ナット及びホイール・ボルトの緩み
(*1)1 フロント・ホイール・ベアリングのがた
(*1)2 リヤ・ホイール・ベアリングのがた
緩衝装置 取付部及び連結部 緩み、がた及び損傷
ショック・アブソーバ 油漏れ及び損傷
動力伝達装置 クラッチ ペダルの遊び及び切れたときの床板とのすき間
トランスミッション及びトランスファ (*1) 油漏れ及び油量
プロペラ・シャフト及びドライブ・シャフト (*1) 連結部の緩み 自在継手部のダスト・ブーツの亀裂及び損傷
デファレンシャル (*1) 油漏れ及び油量
電気装置 点火装置 (*1)(*2)1 点火プラグの状態
2 点火時期
3 ディストリビューターのキャップの状態
バッテリ ターミナル部の接続状態
電気配線 接続部の緩み及び損傷
原動機 本体 1 排気の状態
(*1)2 エア・クリーナ・エレメントの状態
潤滑装置 油漏れ
燃料装置 燃料漏れ
冷却装置 1 ファン・ベルトの緩み及び損傷
2 水漏れ
ばい煙、悪臭のあるガス、有害なガス等の発散防止装置 ブローバー・ガス還元装置 1 メターリング・バルブの状態
2 配管の損傷
燃料蒸発ガス排出抑止装置 1 配管等の損傷
2 チャコール・キャニスタの詰まり及び損傷
3 チェック・バルブの機能
一酸化炭素等発散防止装置 1 触媒反応方式等排出ガス減少装置の取付けの緩み及び損傷
2 二次空気供給装置の機能
3 排気ガス再循環装置の機能
4 減速時排気ガス減少装置の機能
5 配管の損傷及び取付状態
エグゾースト・パイプ及びマフラ (*1) 取付けの緩み及び損傷 マフラの機能
車枠及び車体 緩み及び損傷

 

 

 

解答 ④

 

 


法令問題04(自動車点検基準)関連問題その2

問題

「自動車点検基準」に照らし、「自家用乗用自動車等の日常点検基準」に規定されている点検内容として、適切なものは次のうちどれか。

 

①エンジン・オイルの量が適当であること

②冷却装置のファン・ベルトの緩み及び損傷

③かじ取り装置のロッド及びアーム類の緩み、がた及び損傷

④ブレーキ・ペダルの遊び及び踏み込んだときの床板とのすき間

 

 

 

解説

「自動車点検基準」に照らし、「自家用乗用自動車等の日常点検基準」を見てみましょう

次の表を見てもらうと①は別表第二、②、③、④は別表第六になっており、「自家用乗用自動車等の日常点検基準」つまり別表第二で規定されているのは①の「エンジン・オイルの量が適当であること」ということになる

 

 

別表第二 (自家用乗用自動車等の日常点検基準) (第一条関係)

点検箇所 点検内容
1 ブレーキ 1 ブレーキ・ペダルの踏みしろが適当で、ブレーキのききが十分であること。
2 ブレーキの液量が適当であること。
3 駐車ブレーキ・レバーの引きしろが適当であること。
2 タイヤ 1 タイヤの空気圧が適当であること。
2 亀裂及び損傷がないこと。
3 異状な摩耗がないこと。
4 溝の深さが十分であること。
3 バッテリ 液量が適当であること。
4 原動機 1 冷却水の量が適当であること。
2 エンジン・オイルの量が適当であること。
3 原動機のかかり具合が不良でなく、かつ、異音がないこと。
4 低速及び加速の状態が適当であること。
5 灯火装置及び方向指示器 点灯又は点滅具合が不良でなく、かつ、汚れ及び損傷がないこと。
6 ウインド・ウォッシャ及びワイパー 1 ウインド・ウォッシャの液量が適当であり、かつ、噴射状態が不良でないこと。
2 ワイパーの払拭状態が不良でないこと。
7 運行において異状が認められた箇所 当該箇所に異状がないこと。

 

 

別表第六 (自家用乗用自動車等の定期点検基準) (第二条関係)

点検箇所 点検時期
1年ごと 2年ごと(1年ごとの点検に次の点検を加えたもの)
かじ取り装置 ハンドル 操作具合
ギヤ・ボックス (*1) 取付けの緩み
ロッド及びアーム類 (*1)1 緩み、がた及び損傷
2 ボール・ジョイントのダスト・ブーツの亀裂及び損傷
かじ取り車輪 (*1) ホイール・アライメント
パワー・ステアリング装置 ベルトの緩み及び損傷  1 油漏れ及び油量
(*1)2 取付けの緩み
制動装置 ブレーキ・ペダル 1 遊び及び踏み込んだときの床板とのすき間
2 ブレーキの効き具合
駐車ブレーキ機構 1 引きしろ
2 ブレーキの効き具合
ホース及びパイプ 漏れ,損傷及び取付状態
マスタ・シリンダ、ホイール・シリンダ及びディスク・キャリパ 液漏れ 機能、摩耗及び損傷
ブレーキ・ドラム及びブレーキ・シュー (*1)1 ドラムとライニングとのすき間
2 シューの摺動部分及びライニングの摩耗
ドラムの摩耗及び損傷
ブレーキ・ディスク及びパッド (*1)1 ディスクとパッドとのすき間
2 パッドの摩耗
ディスクの摩耗及び損傷
走行装置 ホイール (*1)1 タイヤの状態
(*1)2 ホイール・ナット及びホイール・ボルトの緩み
(*1)1 フロント・ホイール・ベアリングのがた
(*1)2 リヤ・ホイール・ベアリングのがた
緩衝装置 取付部及び連結部 緩み、がた及び損傷
ショック・アブソーバ 油漏れ及び損傷
動力伝達装置 クラッチ ペダルの遊び及び切れたときの床板とのすき間
トランスミッション及びトランスファ (*1) 油漏れ及び油量
プロペラ・シャフト及びドライブ・シャフト (*1) 連結部の緩み 自在継手部のダスト・ブーツの亀裂及び損傷
デファレンシャル (*1) 油漏れ及び油量
電気装置 点火装置 (*1)(*2)1 点火プラグの状態
2 点火時期
3 ディストリビューターのキャップの状態
バッテリ ターミナル部の接続状態
電気配線 接続部の緩み及び損傷
原動機 本体 1 排気の状態
(*1)2 エア・クリーナ・エレメントの状態
潤滑装置 油漏れ
燃料装置 燃料漏れ
冷却装置 1 ファン・ベルトの緩み及び損傷
2 水漏れ
ばい煙、悪臭のあるガス、有害なガス等の発散防止装置 ブローバー・ガス還元装置 1 メターリング・バルブの状態
2 配管の損傷
燃料蒸発ガス排出抑止装置 1 配管等の損傷
2 チャコール・キャニスタの詰まり及び損傷
3 チェック・バルブの機能
一酸化炭素等発散防止装置 1 触媒反応方式等排出ガス減少装置の取付けの緩み及び損傷
2 二次空気供給装置の機能
3 排気ガス再循環装置の機能
4 減速時排気ガス減少装置の機能
5 配管の損傷及び取付状態
エグゾースト・パイプ及びマフラ (*1) 取付けの緩み及び損傷 マフラの機能
車枠及び車体 緩み及び損傷

 

 

 

 

解答 ①